- Наличие: Нет в наличии
- Модель: Wilo Star-STG 15/4
Производитель: Wilo
Нет в наличии
Циркуляционный насос Wilo Star-STG 15/4 – для солнечных коллекторов и геотермальных тепловых насосов
Для солнечных коллекторов и геотермальных тепловых насосов | Для домов до 120 кв. м | Защита IP44
Особое назначение
Для работы в первичных контурах гелиоколлекторов и грунтовых теплонасосов нужен циркуляционный насос с особыми температурными характеристиками работы. Особая гидравлика модели Star-STG позволяет работать до 2-х часов в пиковых диапазонах температуры теплоносителя до + 120 °С. Этого достаточно для обеспечения работы солнечной батареи в дневное летнее время.
Кроме этого, эта модель подойдет и для систем отопления с традиционными котлами: газовыми или твердотопливными.
Возможности
Насос имеет три скоростных режима, которые переключаются вручную. Различная потребляемая мощность позволяет в случае необходимости сокращать расход электроэнергии.
Прибор рассчитан на работу с давлением до 10 бар.
Конструкция и оснащение
Защита чугунного корпуса Wilo Star-STG соответствует классу IP44.
Рабочее полипропиленовое колесо и вал из нержавеющей стали, а также покрытие чугунного корпуса катафоретическим влагоотталкивающим слоем долгие годы надежно защищают изделие от коррозии.
Подшипники движущейся части выполнены из металлографита.
Подвод кабельной жилы обеспечен с двух сторон.

Зажимы на пружинах позволяют быстро и легко подключать провода.

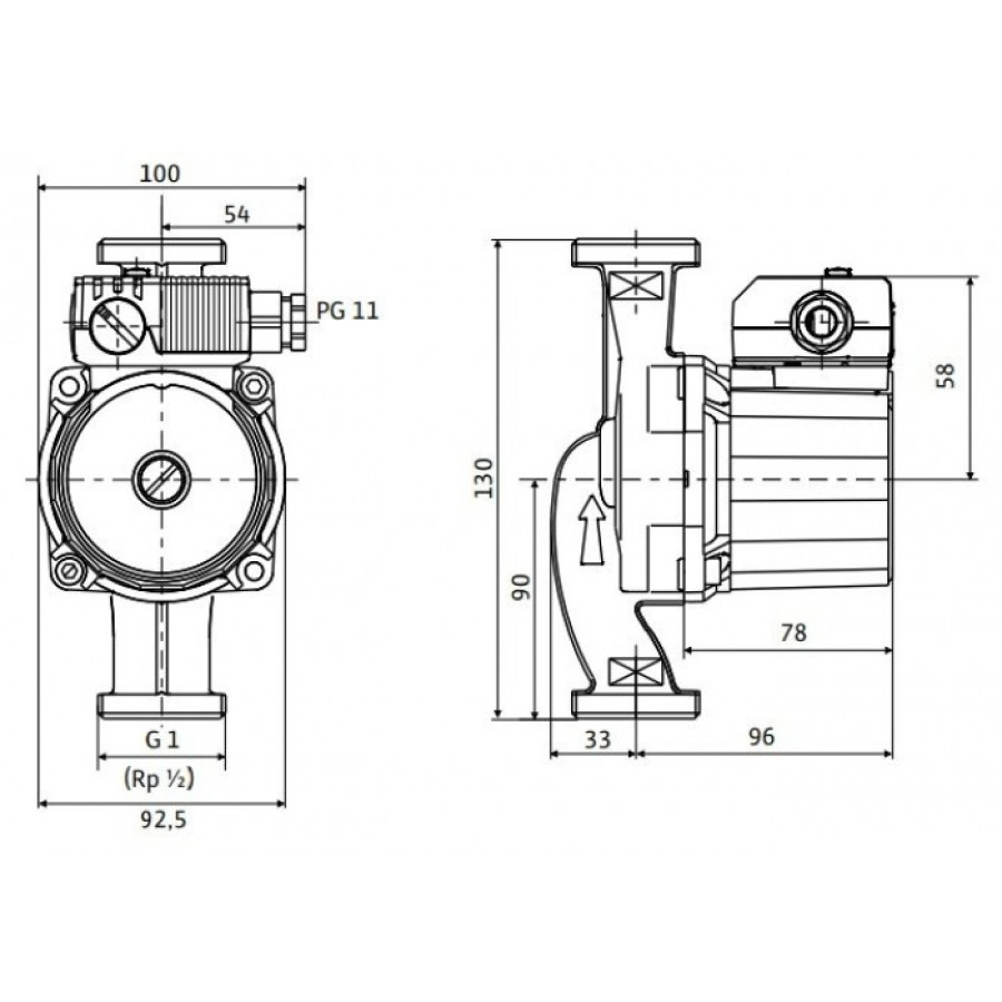
Монтажная длина циркуляционной модели Star-STG15/4 – 130 мм.
Резьбовое соединение подсоединения трубы Rp ½ .

Особенности монтажа
Ось вала установленного насоса должна быть горизонтальной.

Комплект поставки
Оригинальные циркуляционные насосы для солнечного коллектора или грунтового теплонасоса – Wilo Star-STG 15/4 ппродаются в брендированной упаковке с маркировкой Wilo.



Чтобы предоставить нашим покупателям монтажных услуг гарантию на качество своей работы, при монтажах используем и продаем исключительно оригинальные изделия производителя из Германии, в работоспособности которых мы уверены.
Характеристики
Характеристики производительности
Максимальная объемная подача, куб.м/ч
3,5 куб.м/час
Максимальный гидростатический напор, м
до 4 м
Конструктивные особенности
Монтажная длина, мм
130 мм
Диаметр соединительных патрубков, дюйм
DN 15 мм
Материал корпуса
Чугун серый
Материал рабочего колеса
Синтетический материал (PP - 40% GF)
Вес, кг
2,2
Присоединение
Резьбовое
Функционал
Количество скоростей
3
Особенности эксплуатации
Диапазон температур перекачиваемой среды, °С
-10 ... + 120 °C
Сфера применения
Для солнечных и геотермальных систем + Отопление, охлаждение, кондиционирование
Электрические характеристики
Электрические характеристики сети
230 V 1N
Мощность подводимая при скорости 1, Вт
28 Вт
Мощность подводимая при скорости 2, Вт
38 Вт
Мощность подводимая при скорости 3, Вт
48 Вт
Характеристики системы
Максимальное избыточное давление в системе, бар
10,0
Максимальная температура теплоносителя, °С
+ 120 °C (до 2-х часов)
Защиты
Класс защиты IP
IP 44 (IEC 34-5)
Класс изоляции (IEC 85)
F
Прочие характеристики
Номинальная скорость вращения, об./мин
1550 - 2200 об/мин
0 грн.
Отзывов0
0/ 5
средний рейтинг товара
Нет отзывов о данном товаре.