- Наличие: Есть в наличии
- Модель: KP2769
Производитель: KOER
Скидка по запросу

Фланцевый циркуляционный насос KOER GRS 40/10F с медной обмоткой
Н = 10 м, Q = 18 м3/ч, P = 550 Вт, DN40
Циркуляционный фланцевый электронасос KOER GRS 40/10F
Циркуляционный насос с монтажной длиной 250 мм с обратными фланцами используется для перекачки теплоносителя в системах отопления, системах подогрева полов, водоснабжения горячей воды. Теплоносителем может быть как чистая пресная вода и жидкость с 50% содержанием гликолевых примесей.
Служит для повышения эффективности систем отопления.
Низкий уровень шума, не сложная и надежная конструкция.
Является хорошим решением для частного дома, дачи, в сельском хозяйстве и животноводстве, в складских помещениях, на промышленных объектах.
Технические характеристики
- Энергопотребление – 550 Вт
- Максимальный напор – 10 м
- Максимальная объемная подача до 18 м³/ч (300 л/ч)
- Количество рабочих скоростей – 1
- Диаметр условного прохода – 40 мм
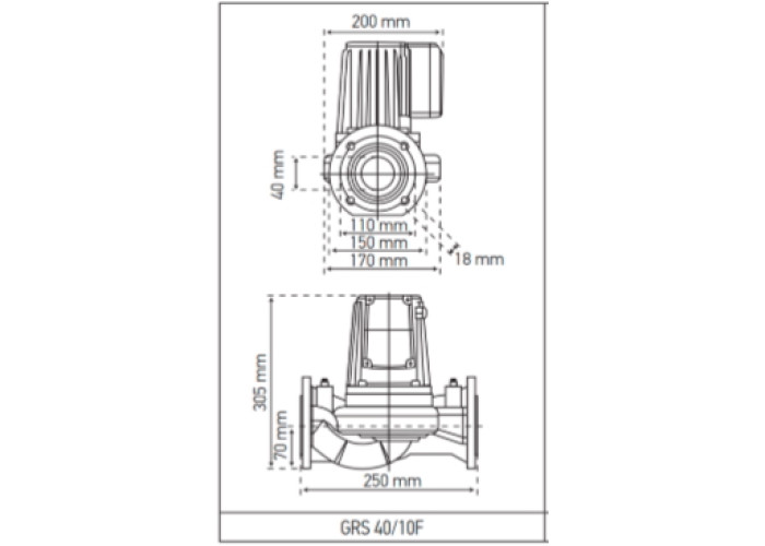
- Монтажная длина 250 мм
Предельные допуски и требования
- рабочая жидкость: чистые невязкие, неагрессивные жидкости, не содержащие твердых частиц или волокон, сходные с водой по плотности и химической активности
- максимальное содержание гликоля: 50%
- максимальное рабочее давление: 1 МПа (10 бар)
- предельные нижнее и верхнее значения температуры перекачиваемой жидкости от +5 °С до +110 °С
- максимальная температура окружающей среды: от +5 °С до +40 °С
Насосная часть
- Корпус: алюминий и чугун с антикоррозионной обработкой катафорезом и водостойкой покраской.
- Рабочее колесо: нержавеющая сталь
- Вал двигателя: нержавеющая сталь
Двигатель
- Тип двигателя: асинхронный, с «мокрым» ротором, со встроенной в обмотку термозащитой
- Изоляция статора: нержавеющая сталь AISI 304
- Материал статора обмотки: медь
- Класс изоляции: F (термостойкость двигателя до 155℃)
- Подшипники: нержавеющая сталь
- Напряжение сети: 220-240 В ~1N
- Частота: 50 Гц
- Класс защиты: IP 44
- Режим работы: длительный
- Длина кабеля: 1,3 м
Характеристики
Характеристики производительности
Максимальная объемная подача, куб.м/ч
18
Максимальный гидростатический напор, м
10
Конструктивные особенности
Диаметр условного прохода, мм
DN 40 мм
Монтажная длина, мм
250
Габаритные размеры (В × Ш × Г), мм
305 × 250 × 200
Габаритные размеры упаковки (В × Ш × Г), мм
330 × 280 × 255
Материал вала двигателя
Нержавеющая сталь
Материал корпуса
Алюминий и чугун с антикоррозионной обработкой катафорезом и водостойкой покраской
Материал обмотки статора насоса
Медь
Материал рабочего колеса
Нержавеющая сталь
Вес, кг
21
Присоединение
Фланцевое
Функционал
Количество скоростей
1
Особенности эксплуатации
Диапазон температур окружающей среды, °С
+5 ... +40 °C
Диапазон температур перекачиваемой среды, °С
+5 ... + 110 °C
Сфера применения
Отопление, охлаждение, кондиционирование, ГВС
Электрические характеристики
Потребляемая мощность, кВт
0,55
Электрические характеристики сети
230 V ~1N
Характеристики системы
Максимальное давление в системе, бар
10,0
Максимальная температура теплоносителя, °С
+ 110 °C
Защиты
Класс защиты IP
IP 44
Класс изоляции (IEC 85)
F – термостойкость до +155°C
Прочие характеристики
Страна бренда
Чехия
9 560 грн.
Отзывов0
0/ 5
средний рейтинг товара
Нет отзывов о данном товаре.