- Наявність: Є в наявності
- Модель: RS-25/6-180
Насос циркуляційний Rudes з мокрим ротором RS 25-6-180
Призначення та сфера застосування

Циркуляційні електронасоси серії RS 25-6-180 призначені для перекачування робочих рідин в одно- і двотрубних системах опалення відкритого і закритого типу при стабільному або слабкому витраті робочої рідини в системах опалення, підігріву підлог, водопостачання гарячою водою.
Рекомендовано використовувати насос виключно для водяних систем опалення. Забороняється використання насосу Rudes RS 25-6-180, що містять іншу рідину, крім води, системах опалення (наприклад, трансформаторне масло, гліколь і т.д.) Не допускається експлуатація насоса у водяних системах опалення, які можуть містити постійні забруднення, накип , частинки іржі. У подібних випадках система потребує ретельного промивання. Перед насосом завжди потрібно встановлювати осадовий фільтр, який оберігає пристрій від усіляких забруднень. Допустима температура циклу не повинна перевищувати 110 °C, а також не повинна бути нижче -10 °C
Переваги
- Доступна ціна при високій якості матеріалів
- Висока надійність конструкції та тривалий термін служби (застосування зносостійких керамічних підшипників та відсутність торцевих ущільнень)
- Низький рівень шуму в порівнянні зі звичайними насосами (у конструкції насоса з «мокрим» ротором шум підшипників гаситься рідиною, що перекачується)
- Гнучкість налаштування (три швидкості для вибору оптимального температурного режиму)
- Простота монтажу та експлуатації
- Мінімальне технічне обслуговування
Технічні характеристики
| Швидкість | Енергоспоживання, Вт | Гідравлічний натиск, м | Подача, л/хв. |
| I | 55 | 3,5 | 30 |
| II | 70 | 5 | 40 |
| III | 100 | 6 | 50 |
- Максимальна обʼємна подача до 3,0 м³/год (0,83 л/с)
- Кількість робочих швидкостей – 3
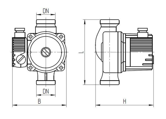
- Монтажна довжина 180 мм
Граничні допуски та вимоги
- Рідина, що перекачується: чисті нев'язкі неагресивні рідини, що не містять твердих частинок або волокон
- Водневий показник рН 7,0-9,5
- Максимальний вміст гліколю: 50%
- Граничні нижнє та верхнє значення температури рідини, що перекачується: від –10°С до +110°С
- Максимальна температура довкілля +40°С
- Максимальний робочий тиск: 1 МПа (10 бар)
- Для уникнення кавітаційного шуму тиск на всмоктуванні має бути не менше ніж 1,5 м водяного стовпа при температурі +90°С
Конструктивні характеристики
- Моноблочні горизонтальні рядні з одним робочим колесом
- Корпус насосної камери із чавуну
- Колесо робоче відцентрове закритого типу виконане з термостійкого полімеру.
- Вал з металокераміки
- Підшипники ковзання радіального типу з металокераміки
- Гільза статора захисна із нержавіючої сталі AISI 304
- Відбивач із нержавіючої сталі AISI 304
- Корпус двигуна із алюмінію.
Двигун
- Асинхронний двополюсний з короткозамкненим «мокрим» ротором, тришвидкісний
- Охолодження двигуна рідиною, що перекачується
- Перемикання швидкостей здійснюється механічним трипозиційним перемикачем
- Ступінь захисту IP44
- Клас нагрівостійкості ізоляції H
- Однофазне виконання із встановленим у коробку виводів конденсатором
- Напруга живлення: 220 В, 50 Гц
- Режим роботи: тривалий.
Габаритні розміри
