- Наявність: Нет в наличии
- Модель: Wilo Star-RS25/6 130
Виробник: Wilo
Немає в наявності
Циркуляційний насос Wilo: модель Star-RS25 / 6 130
Для опалення, холодної води та кондиціонування | Для будинків до 200 кв. м | Захист IP 44 | Монтажний розмір 130 мм
Де встановлюється
Насос циркуляційний Wilo Star-RS25 / 6 призначений для роботи в системах опалення з примусовою циркуляцією водяного теплоносія. Підходить для роботи в радіаторному опаленні, так в системах теплих підлог. Крім опалювальних систем застосовується для холодного водопостачання з температурою води до -10 ° C і в кондиціонуванні.
Модель циркуляційного насоса Star-RS 25/6 підійде для опалювальної системи приватного будинку з обігрівається площею до 200 кв.м і має трубопроводи діаметром від ¾ "до 1 ¼".
Для точного визначення необхідних параметрів циркуляційного насоса виробляємо гідравлічний розрахунок.
Можливості
Дана модель має три швидкості роботи, які перемикаються вручну. Швидкість вибирається таким чином, щоб подолати розраховане гідравлічний опір системи. Це дає можливість економити електроенергію на зниженій потужності, але при цьому окремі ділянки трубопроводів можуть забезпечуватися теплом недостатньо, якщо потужність обрана впритул.
RLS забезпечує відвідників повітря. Вихід на автоматичний повітряний клапан - Rp 3/8 ".
Максимальний напір водяного стовпа - 6 м.
Широкий діапазон температур від -10 до +110 ° C дозволяють встановлювати цей насос в твердопаливних системах опалення, де температури теплоносія найбільш високі.
Насос розрахований на максимальний робочий тиск до 10 бар - більшість систем опалення працюють в діапазоні не більше 6 бар.
Конструкція і оснащення
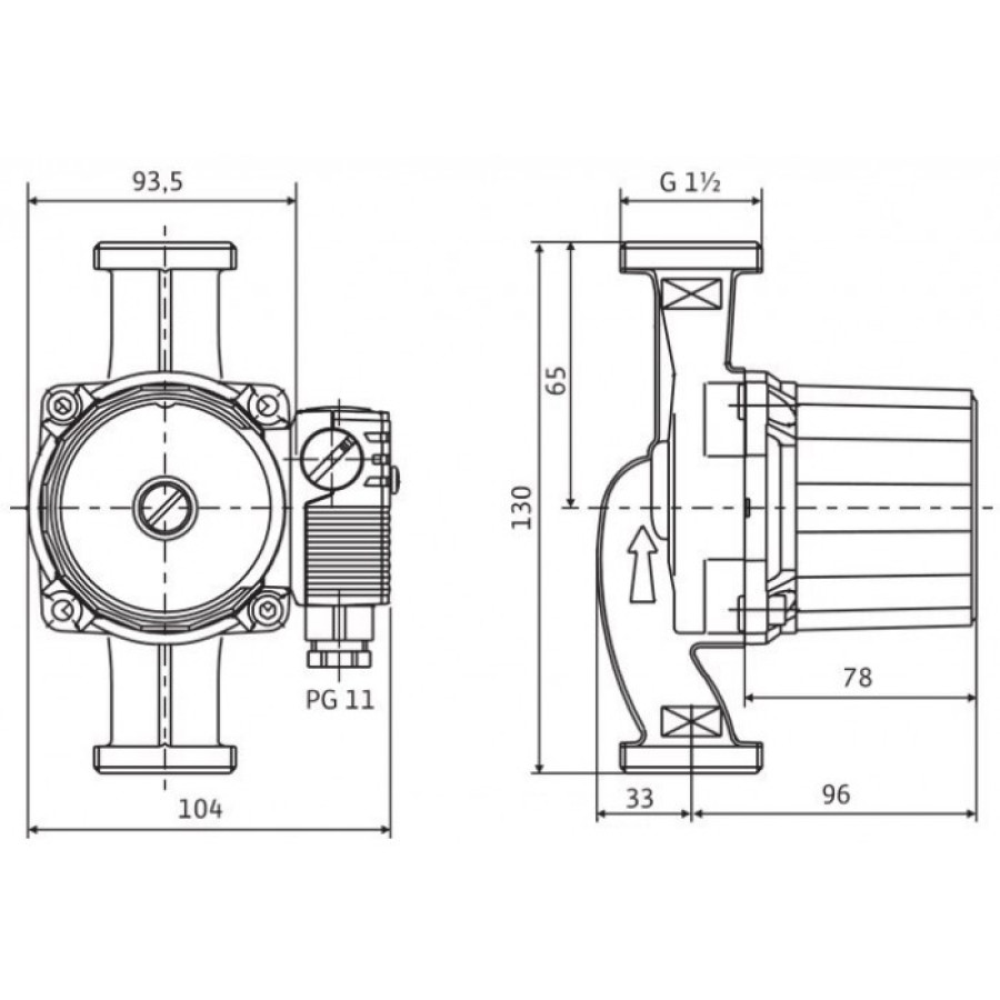
Чавунний корпус насоса має зовнішні виходи на підключення діаметром 25 мм.
Конструкція відповідає класу захисту IP44 (герметична для твердих частинок від 1 мм і від бризок) - це дозволяє сміливо її встановлювати в приміщеннях з підвищеним рівнем вологості - ванних, підвальних приміщеннях.
Насос циркуляційний Wilo Star-RS 25/4 130 має мокрий ротор і оснащений електродвигуном, стійким до струмів блокування.
Перфорований вал і фільтр, встановлений до картриджа, забезпечують надійну і тривалу роботу.
Монтажна довжина пристрою - 130 мм.

Особливості монтажу
Таке теплотехнічне обладнання як циркуляційний насос потрібно не тільки правильно підібрати і купити, важливо ще правильно встановити. Якщо ви збираєтеся встановлювати самостійно, пам'ятайте, що вісь вала встановленого насоса повинна бути горизонтальною. Клеммник розташовуватися на 3-6-9-12 годин. Пружинні клеми і знімний введення для кабелю клемника забезпечують швидке і просте підключення.
Комплект поставки
Оригінальні циркуляційні насоси Wilo Star-RS25 /6 поставляються у фірмовій коробці з маркуванням німецького виробника.



У комплекті поставки, крім самого насоса, йдуть два гумові прокладки і паспорт приладу німецького виробника.


Своїм замовникам монтажних послуг ми надаємо гарантію на якість роботи не менше 1 року. Тому при обв'язуваннях використовуємо і продаємо тільки оригінальні вироби Wilo, в працездатності яких ми впевнені.
Характеристики
Характеристики продуктивності
Максимальна обʼємна подача, куб.м/год.
4,0 куб.м/год
Максимальний гідростатичний натиск, м
до 6 м
Конструктивні особливості
Монтажна довжина, мм
130 мм
Діаметр сполучних патрубків, дюйм
DN 25 мм
Матеріал корпусу
Чавун
Матеріал робочого колеса
Синтетичний матеріал (PP - 40% GF)
Вага, кг
2,5
Приєднання
Різьбове
Функціонал
Кількість швидкостей
3
Особливості експлуатації
Діапазон температур перекачується, °С
-10 ... + 110 °C
Сфера використання
Опалення, охолодження, кондиціонування
Електричні характеристики
Електричні характеристики мережі
230 V 1N
Потужність підводиться при швидкості 1, Вт
43 Вт
Потужність підводиться при швидкості 2, Вт
61 Вт
Потужність підводиться при швидкості 3, Вт
84 Вт
Характеристики системи
Максимальний надлишковий тиск в системі, бар
10,0
Максимальна температура теплоносія, °С
+ 110 °C
Захист
Клас ізоляції (IEC 85)
F
Клас захисту IP
IP 44 (IEC 34-5)
Інші характеристики
Номінальна швидкість обертання, об./хв
2480 / 2750 / 2840 об/хв
0 грн.
Відгуків0
0/ 5
середній рейтинг товара
Немає відгуків про цей товар.